Networking

Transimpedance Amplifiers (TIA)

Get best-in-class noise performance, high (133Ω to 8kΩ) gain, and low power consumption in a high-speed TIA optimized specifically for 56 Gbps/channel applications.

These high-performance TIAs provide automatic gain control with programmable output amplitude. They enable up to 4dB of programmable CTLE to minimize signal distortion. Plus, these TIAs are also very efficient, using only 178 mW per channel.

Transimpedance Amplifiers

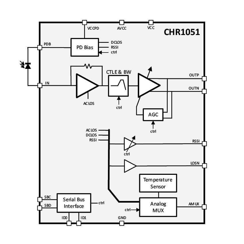
Coherent TIA’s are designed to achieve the best possible optical transceiver performance at low power consumption. All our TIA’s have been fully tested production grade optical transceivers. These amplifiers provide a rich set of monitoring and control features that help simplify transceiver design and help optimize transceiver performance.

 

Part

Modulation

#Channels

Baud Rate (GBaud)

Power Consumption per Channel (mW) @25°C

Noise (µArms)​

Channel Pitch (µm)

Package

Applications

CHR1065

PAM4/NRZ

4

56

227

2.3

750

Die, Wire Bonded

400G DR4/FR4/LR4/SR4
800G DR8/2xFR4/LR8/SR8
112Gbps/Lane Optical Modules

CHR1058

PAM4/NRZ

8

28.9

178

1.6

250

Die, Flip-Chip Cu-Pillar

400G SR8/SR4.2​
56Gbps/Lane Optical Modules

CHR1054

PAM4/NRZ

4

28.9

178

1.6

250

Die, Wire Bonded

200G/FR4/SR4​
400G LR8/SR8
56Gbps/Lane Optical Modules

CHR1051

PAM4/NRZ

1

28.9

178

1.6

N/A

Die, Wire Bonded

64G Fibre Channel
50G LR/SR
100G SR2
56Gbps/Lane Optical Modules

Related Products